文章摘要:(七氟丙烷灭火系统原理)七氟丙烷气体灭火系统图1.简介七氟丙烷(HFC-227ea)灭火剂具有清洁、低毒、良好电绝缘性、灭火效率高、不破坏大气臭氧层的特点,是目前为止研究开发比较成功的一种洁净气体灭火剂,在欧美国家已经得到普及应用,是替代卤代烷灭火剂的洁净气体中的较优者。七氟丙烷...
(七氟丙烷灭火系统原理)七氟丙烷气体灭火系统图
1. 简介
七氟丙烷(HFC-227ea)灭火剂具有清洁、低毒、良好电绝缘性、灭火效率高、不破坏大气臭氧层的特点,是目前为止研究开发比较成功的一种洁净气体灭火剂,在欧美国家已经得到普及应用,是替代卤代烷灭火剂的洁净气体中的较优者。
七氟丙烷灭火剂适用于以全淹没灭火方式扑救电气火灾、液体火灾或可熔固体火灾、固体表面火灾、灭火前能切断气源的气体火灾,能安全有效的使用在有人工作或停留的场所。七氟丙烷灭火后不留痕迹、不含导电介质的特性,在一些必要场所如计算机房、通讯机房、变配电室、精密仪器室、发电机房、油库、化学易燃品库房及图书库、资料库、档案库、金库等场所具有其他灭火剂无法替代的优越性。
柜式七氟丙烷气体灭火装置由灭火剂瓶组、管路、喷嘴、信号反馈部件、检验部件、驱动部件、柜体等组成,与火灾探测器、灭火控制器组成一套自动灭火系统。可直接放置于防护区内,具有可移动、方便安装的特点。
A、不适用于扑救硝化纤维、硝酸纳等氧化剂或含氧化剂的化学制品火灾,钾、镁、钠、钛、锆、铀等活泼金属火灾,氢化钾、氢化钠等金属氢化物火灾,过氧化氯、联胺等能自行分解的化学物质火灾,可燃固体物质的深位火灾。
B、本设备充装的灭火剂在灭火时会分解产生一定量的氟化氢气体,高浓度氟化氢气体能对人员造成伤害。
2. 主要技术参数
| 型号 | 贮存容器 规格 | 容器阀 | 灭火剂 充装量(Kg) | 外形尺寸(mm) 宽×深×高 | 贮存压力 (20℃) | 工作压力 | 安全泄放装置 动作压力 | 喷射 时间 | 启动电压 /电流 | 工作温度 范围 |
| GQQ70/2.5 | 70L | QRF50/4.2 | 77 | 530×480×1500 | 2.5MPa | 4.2MPa | 5.9MPa± 0.3MPa | ≤8s | DC24V /1.5A | -10℃ ~+50℃ |
| GQQ100/2.5 | 100L | QRF50/4.2 | 110 | 530×480×1750 | ||||||
| GQQ120/2.5 | 120L | QRF50/4.2 | 132 | 580×530×1730 | ||||||
| GQQ150/2.5 | 150L | QRF50/4.2 | 165 | 580×530×1730 |
3. 结构
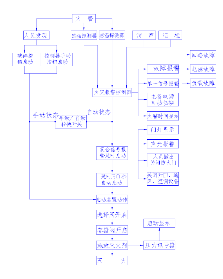
4. 控制流程图
5. 主要部件
5.1 柜体
采用优质薄钢板加工,拼装结构,表面喷涂防腐处理,外观无焊接、无螺钉,美观大方、坚固耐用。
5.2 灭火剂瓶组
5.2.1. 用途:
用于储存七氟丙烷灭火剂,具有封存、释放、充装、超压泄放、压力显示等功能。
5.2.2. 结构:
由容器阀、虹吸管、储存容器组成。储存容器为可重复充装的红色环氧漆钢质焊接容器 。 容器阀由阀体、电磁型驱动装置、活塞、压力显示部件、泄压装置等组成,接上虹吸管后安装在储存容器瓶口上,可气动、手动开启容器阀释放灭火剂。
5.2.3. 主要技术参数:
| 型号规格 | 贮存压力 | 容积(L) | 容器阀型号 | 公称通径 (mm) | 当量长度(m) | 外径 (mm) | 高度 (mm) | 净重 (Kg) |
| QMP70/2.5 | 2.5MPa | 70 | QRF50/4.2 | 50 | 2.5 | 360 | 1180 | 71 |
| QMP100/2.5 | 2.5MPa | 100 | QRF50/4.2 | 50 | 2.5 | 360 | 1490 | 93 |
| QMP120/2.5 | 2.5MPa | 120 | QRF50/4.2 | 50 | 2.5 | 360 | 1700 | 110 |
| QMP150/2.5 | 2.5MPa | 150 | QRF50/4.2 | 50 | 2.5 | 411 | 1660 | 154 |
5.2.4. 使用说明:
1)先把出口弯头紧固在容器阀的出口上,并使弯头的出口垂直向上,然后小心把瓶组搬进柜内,可使用短钢管作滚轴把灭火剂瓶组推进柜体内。
2)电磁铁的两根引线不分极性。
5.2.5. 调试
1)电磁铁动作检查
在试验电磁铁的动作性能时,应小心从容器阀上卸下电磁铁,此时铁芯便因失去支撑而下落,此状态下铁芯已是处于动作位置。因此试验电磁铁时,应倒置电磁铁以使铁芯复位,然后平放电磁铁,再向电磁铁里插入一个作位置参考的小棒,向电磁铁接通不低于18V的直流电(容量不小于1.5A),铁芯将马上推动小棒冲出电磁铁。使用小棒还可以测量铁芯的行程,以检验闸刀能否到达并有余量刺穿膜片。
2)安全档片
安全档片是为了防止在运输、安装、调试过程中因碰撞、震动使闸刀误动作。在完成电磁铁的动作试验并把电磁铁归位后、投入使用前,必须卸下档片,再紧固电磁铁的四个固定螺钉,否则容器阀将不能打开。档片可放在柜内一边,以便移动瓶组时重新装上。
5.2.6. 日常维护
1)应由经过专门培训,并经考试合格的专人负责定期检查和维护。
2)每月进行两次检查,检查内容及要求应符合下列规定:
a.对灭火剂贮存容器、电磁驱动装置、管路与喷嘴等全部系统组件进行外观检查。系统组件应无碰撞变形及其他机械性损伤,表面应无锈蚀,保护涂层应完好,铭牌应清晰,手动操作装置的防护罩、铅封和安全标志应完整。
b.灭火剂瓶组的压力表的指针应在表盘的绿区,低于绿区应及时补压。
c.每五年进行一次全面检查维修,包括强度试验、密封性试验、动作试验等,更换密封件、膜片及其他易损件等。
5.2.7. 注意事项:
容器阀上装有安全档片是为防止运输、安装、调试过程中因碰撞、震动等使闸刀误动作而设。系统投入使用前,需抽出安全档片,否则启动容器阀不能打开。
5.3 电磁型驱动装置
5.3.1. 用途:
安装驱动气体瓶组的容器阀上,用于控制驱动气体瓶组启动释放。
5.3.2. 结构;
由手动顶块、保险销、电磁铁组件、顶刀、弹簧等组成,阀体材质为铜合金。
5.3.3. 主要技术参数:
| 型号规格 | 电磁元件 | 驱动力 | 击穿装置 |
| QDQ55 | 直流干式阀用电磁铁MFZ1-5.5C | 55N | 刺破针 |
5.3.4. 使用说明:
1) 电磁铁的两根引线不分极性;
2) 安装后应仔细逐一检查,确保接头紧固连接;
3) 保险销是为防止运输、安装、调试过程中因碰撞、震动等使闸刀误动作而设,设备投入使用前,需抽出保险销,否则启动容器阀不能打开;
4) 电磁铁动作检查:在试验电磁铁的动作性能时,应小心从容器阀上卸下电磁铁,此时铁芯便因失去支撑而下落,此状态下铁芯已是处于动作位置。因此试验电磁铁时,应倒置电磁铁以使铁芯复位,然后平放电磁铁,再向电磁铁里插入一个作位置参考的小棒,向电磁铁接通不低于18V的直流电(容量不小于1.5A),铁芯将马上推动小棒冲出电磁铁。使用小棒还可以测量铁芯的行程,以检验闸刀能否到达并有余量刺穿膜片。
5.3.5.维护说明:
1) 每月进行外观检查,无碰撞变形及机械性损伤、表面无锈蚀方可继续使用;
2) 每年进行电磁铁动作试验,合格方可继续使用。
5.4 信号反馈装置
5.4.1. 用途:
安装于通向防护区管网的主管路上,用于灭火剂释放后将信号反馈至灭火控制器,再由灭火控制器点亮喷放门灯及发出联动信号。
5.4.2. 结构:
由底座、外壳、锁帽、信号引线、活塞、微动开关等组成。外壳及活塞的材质为铜合金。
5.4.3. 主要技术参数:
| 型号 | 公称工作压力 | 动作压力 | 微动开关工作电压/触点容量 |
| QXF0.8/4.2 | 4.2MPa | 0.8±0.08MPa | 0.5A/AC250V |
5.4.4. 使用说明:
信号为无源触点,引线不分极性。
5.4.5 维护说明:
1)每月进行外观检查,无碰撞变形及机械性损伤、表面无锈蚀等异常方可继续使用。
2)每年应全面检查一次,无异常方可继续使用。
5.4.6. 注意事项:
动作后应卸下锁帽和外壳,压下活塞、复位微动开关后方可继续使用。
5.5 喷嘴
5.5.1. 用途:
安装于灭火剂输送管道的末端,用于均匀雾化喷洒灭火剂。
5.5.2. 结构:
结构已优化设计,能将灭火剂充分雾化均匀喷洒,材质为铜合金。
5.5.3. 主要技术参数
| 型号规格 | 喷嘴代号 | 等效单孔直径 | 结构尺寸 | 进口公称通径 |
| QPTL40/40 | 40 | 31.75mm | 螺旋570 mm x 5.5mm | 40mm |
5.5.4. 使用说明:
1)安装时应按设计要求逐个核对其型号、规格,安装在吊顶下时其装饰罩应紧贴吊顶。
2)安装使用高度:6.5m;安全使用高度:0.3m。
5.5.5. 维护说明:
每年检查各喷嘴孔口,确保无堵塞。
6. 安装、调试
6.1 安装
6.1.1 准备工作
安装前应先确定灭火装置的放置方位,原则是应方便安装、维护,必要时应校核地板的荷载。
6.1.2 安装柜体
注意要把电气控制线经柜体下部或上部的小孔穿入柜体,并应使用防护套管以免损伤绝缘导线。柜体内底板的四角均设有调整螺栓,用于调整柜体水平稳固地放置于地板上。
6.1.3 灭火剂瓶组安装
先把出口弯头紧固在容器阀的出口上,并使弯头的出口垂直向上。然后小心把灭火剂瓶组搬进柜内,可使用短钢管作滚轴把灭火剂瓶组推进柜体内,注意不要损坏柜体下方的铝合金型材。
6.1.4 管路安装
管路及管件的连接均在出厂前安装过,如图所示安装即可,注意使管路的出口对准柜体面板的喷嘴开孔。
6.1.5 喷嘴安装
从柜体前穿过面板对准管路出口装上喷嘴,可用一个螺丝刀插入喷嘴的小孔来紧固喷嘴。
6.1.6 灭火剂瓶组固定
柜体内中部的薄钢条是用来固定储存钢瓶卡在柜体上的。
6.2 调试
6.2.1 电磁铁动作检查
在试验电磁铁的动作性能时,应小心从容器阀上卸下电磁铁,此时铁芯便因失去支撑而下落,此状态下铁芯已是处于动作位置。因此试验电磁铁时,应倒置电磁铁以使铁芯复位,然后平放电磁铁,再向电磁铁里插入一个作位置参考的小棒,向电磁铁接通不低于18V的直流电(容量不小于1.5A),铁芯将马上推动小棒冲出电磁铁。使用小棒还可以测量铁芯的行程,以检验闸刀能否到达并有余量刺穿膜片。
6.2.2 安全档片
安全档片是为了防止在运输、安装、调试过程中因碰撞、震动使闸刀误动作。在完成电磁铁的动作试验并把电磁铁归位后、投入使用前,必须卸下档片,再紧固电磁铁的四个固定螺钉,否则容器阀将不能打开。档片可放在柜内一边,以便移动瓶组时重新装上。
6.2.4 喷放反馈信号试验
信号反馈装置的两条引线不分极性,短接即可模拟喷放反馈信号。
7. 维护
7.1 日常维护
7.1.1气体灭火系统应由经过专门培训,并经考试合格的专人负责定期检查和维护。
7.1.2每月应对气体灭火系统进行两次检查,检查内容及要求应符合下列规定:
1) 对灭火剂贮存容器、电磁驱动装置、管路与喷嘴等全部系统组件进行外观检查。系统组件应无碰撞变形及其他机械性损伤,表面应无锈蚀,保护涂层应完好,铭牌应清晰, 手动操作装置的防护罩、铅封和安全标志应完整。
2) 灭火剂瓶组的压力表的指针应在表盘的绿区,低于绿区应及时补压或通知本公司。
7.2 年度维护:每年应对气体灭火系统进行两次全面检查,检查内容和要求除按月检规定的检查外,尚应符合下列规定:
1)防护区的开口情况、防护区的用途及可燃物的种类、数量、分布情况,应符合设计规定。
2)灭火剂瓶组柜内的设备、管路和支、吊架的固定情况,应无松动。
3)各喷嘴孔口,应无堵塞。
4)进行一次模拟自动启动试验,如有不合格项目,则应重新进行调试。
7.3全面维护:每五年对系统和灭火剂瓶组、阀件、管道进行一次全面检查维修,包括强度试验、密封性试验、动作试验等,更换密封件、膜片及其他易损件等。
7.4 灭火剂灌装方法
7.4.1 将电磁型驱动装置卸下,换装凸轮组件(另配);把瓶组移到磅秤上,记录净重数值,计算瓶组净重加上需灌装灭火剂重量的数值作毛重并记录;
7.4.2 用专用连接管连瓶组容器阀和灭火剂储罐、氮气瓶,检查各连接部位、安全带已紧固;
7.4.3 套上手柄扳下凸轮拨杆,打开容器阀,重新调整磅秤至平衡,再调整磅秤到该读数加上需灌装灭火剂重量的数值上;
7.4.4缓缓打开灭火剂储罐的出口阀门,密切监视瓶组容器阀、储罐出口阀门及连接管,如发现异常应立即关闭储罐出口阀门,停止灌装作业并将瓶组卸到隔离区待处理;
7.4.5 当磅秤重新到达平衡时,关闭灭火剂储罐的出口阀门;
7.4.6 调整磅秤至平衡,瓶组毛重应不小于7.1所记录毛重数据,否则应重复7.4.2~7.4.5。
7.4.7 从磅秤上移下瓶组,卸下凸轮组件换装电磁型驱动装置,移动瓶组至已灌装瓶组堆放区,并做好成品保护。
8. 售后服务
8.1 质保期内服务
验收合格后一年内,我公司免费对设备、系统出现的各种质量缺陷、故障(非使用单位工作人员操作所致,包括出现漏气及误动作后的充气)予以修复、更换,并免费协助解决有关技术问题、协助使用单位对本系统的运营管理和维护以及操作人员、维护人员的技术培训等。
8.2质保期满后服务
我公司在产品质保期满后可提供一定范围内的有偿维修保养服务,具体内容需视实际情况而定。
免责声明: 本网站只负责对文章进行整理、排版、编辑,是出于传递信息目的,并不意味着赞同其观点或证实其内容的真实性,如本站文章和转稿涉及版权等问题,请作者在及时联系本站,w66利来国际·(中国游)官方网站会尽快处理。本文关键词:七氟丙烷|灭火系统 标题:(七氟丙烷灭火系统原理)七氟丙烷气体灭火系统图 地址: //xxscfsm.com/news-gs/787.html







