文章摘要: 七氟丙烷气体灭火系统工作原理是什么呢?七氟丙烷是目前应用广泛的气体灭火系统之一,很多诸如机房、配电室、档案室、集装箱等防护区都配置了七氟丙烷灭火系统,但使用单位还需要了解一下它的工作原理,以便在紧要关头能够操作这套灭火系统及时将火灾扑灭。毕竟这些都 是关系到我...
七氟丙烷气体灭火系统工作原理是什么呢?七氟丙烷是目前应用广泛的气体灭火系统之一,很多诸如机房、配电室、档案室、集装箱等防护区都配置了七氟丙烷灭火系统,但使用单位还需要了解一下它的工作原理,以便在紧要关头能够操作这套灭火系统及时将火灾扑灭。毕竟这些都 是关系到w66利来国际·(中国游)官方网站的生命安全的,那么接下来看看它的工作原理图与相关操作!
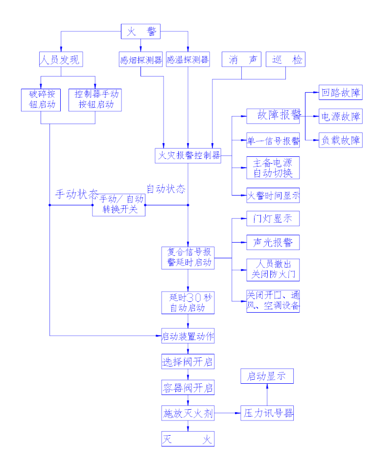
七氟丙烷气体灭火系统有三种启动方式,分别是自动启动、电气手动启动和机械应急手动启动,下面是三种启动方式的工作原理。首先w66利来国际·(中国游)官方网站来看看工作原理图是怎么样的?

七氟丙烷气体灭火系统的工作原理图
第一、电气手动启动
当转换开关置于“手动”位置时,灭火系统处于手动状态。
在该状态下,探测器发出火灾信号,控制主机启动室内、外声光报警器,通知火灾发生,但并不启动灭火系统。此时按下防护区外或控制器上的“紧急启动”按钮,可以启动灭火系统,启动灭火系统释放灭火剂,实施灭火。
注意:无论控制主机处于自动或手动状态,按下“紧急启动”按钮,都可启动灭火系统。
第二、自动启动状态
气体灭火报警控制器一般配有两种不同类型的火灾探测器。控制主机上有“自动”和“手动”转换功能(也可在防护区外单独设置转换开关),当将其置于“自动”位置时,灭火系统处于自动状态。
当只有一种探测器发出火灾信号时,控制主机启动室内声光报警器,通知火灾发生,但并不启动灭火装置。
当两种探测器发出火灾信号时,控制主机启动室内、外声光报警器,联动关闭防护区开口,进入灭火启动延时,达到设定的延时时间后,自动启动灭火装置,发出灭火指令,打开电磁阀释放气瓶气体,气瓶气体通过启动管路打开灭火剂容器阀释放灭火剂,实施灭火。
如在喷放延时过程中发现不需要启动灭火装置,可按下防护区外或控制器上的“紧急停止”按钮,终止灭火指令,在设定的延时时间内有效。

推荐:七氟丙烷灭火原理
第三、机械应急手动启动
用于火灾报警控制系统失效时,当自动和手动启动均失效时,当职守人员判断为火灾时,应立即通知现场所有人员撤离现场,在确定所有人员撤离现场后,可按以下步骤实施机械应急操作:
1)手动关闭联动设备,并切断电源;
2)拔出相应防护区启动瓶电磁驱动器上的“机械应急启动保险销”,按下机械应急启动按钮,电磁驱动器打开启动瓶释放启动气体,启动气体灭火系统。
七氟丙烷气体灭火系统安装完成后,虽然不需要使用单位对其有多专业的了解,但它的工作原理还是需要需要安排专门的人员进行培训学习后才能上岗,这是对使用方的人身及财物安全的保证。
免责声明: 本网站只负责对文章进行整理、排版、编辑,是出于传递信息目的,并不意味着赞同其观点或证实其内容的真实性,如本站文章和转稿涉及版权等问题,请作者在及时联系本站,w66利来国际·(中国游)官方网站会尽快处理。本文关键词:七氟丙烷|气体灭火系统 标题:七氟丙烷气体灭火系统工作原理图与相关操作 地址: //xxscfsm.com/news-gs/726.html







