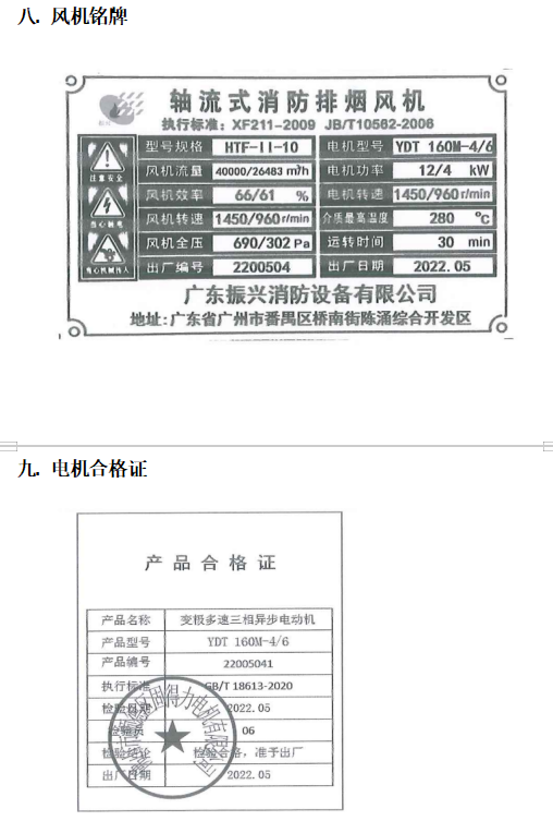
一. 简介
轴流式消防排烟风机具有风量大,压力适中、结构紧凑、安装方便等优点,能吸、排280℃左右的空气,并可在些高温中持续运转不低于30分钟,可广泛用于地下车库,竖井、烘箱等场合,亦可作为通风换气和工矿企业排放高温气体使用。
二. 贮存
凤机到工地后不立即安装。必须存放在通风干燥场所,并做好防护、防潮措施。
三. 使用说明
1、输送气体的种类:空气和其它不自燃的对人体无害的对钢材无腐蚀性的气体。
2、气体内的杂质:气体内不允许有粘性物质,所含的尘土及硬质颗粒物不大于150mg/m3。
3、气体的温度:不超过280℃。
4、机内采用吸入自然空气降温。
四. 安装说明
1、风机安装时应对各部件进行全面检查,机件是否完整,各部件联接是否坚固。
2、安装前用兆欧表对风机电机绝缘电阻进行检查。
3、凤机安装时应注意保持风机的水平位置,对风机与地基的结合面和出风管道的联接等应调 整使用之自然吻合,不得有强行联接,不允许将管道重量加在风机的部件上、并应检查风机内部是否掉进预留的工具和其它物件。
4、电源接线注意倒、顺转、风机叶轮转向必须与标牌箭头表示方向一致。
5、电源接线必须三相稳国,不得有缺相现象存在。
6、电源控制柜必须安装相对应的跟流保护装置。
五.使用与维护
1、风机试验运转应在总体检查合格后进行,拨动叶轮是否有叶轮碰擦机壳现象,如发现不妥,必须调整好。
2、 凤机在运转时如发现有剧烈的振动,撞击等反常现象,必须立即停车检查
3、风机在露天使用应有防雨措
4、风机长期不用,应有防潮措施
5、按期清除凤机内部积灰、污垢等杂质,并防止锈蚀。
五. 维护保养
a安装前应认真检查风叶及机壳有否因运输而损坏变形,检查螺栓是否紧固,否则应待修复后方可安装使用。
6.排烟口与排烟风机应没有联锁装置,当任何一个排烟口开启时,排烟风机即能自动启动。
六. 应用范围
轴流风机广泛用于工厂、矿井、隧道、冷却塔、车辆、船舶和建筑物的通风、排尘和冷却;锅炉和工业炉窑的通风和引风;空气调节设备和家用电器设备中的冷却和通风;谷物的烘干和选送;风洞风源和气垫船的充气和推进等。
七. 调试方法
00001. 检查机械灵活性
调试前需手动拨动叶片,确认无卡壳或摩擦现象,并检查风机及管道内是否遗留杂物。
00002. 验证安装稳固性
确保风机支架、连接管道固定牢固,无松动现象,同时检查轴线对中情况,避免偏斜。
润滑轴承
启动前检查轴承润滑状态,补充适量润滑油,确保轴承运转灵活。

产品推荐

